Research Images
Self-assembley of hexagonal Bi2Te3 nanosheets on mica imaged by high-speed AFM
AFM of single layer TiS2 nanoshseets on mica
Scanning transmission electron microscopy of self assembled Bi2Te3 nanosheets deposited from solution
Artist impression of a nanosheet solution
Potassium-intercalated Bi2Te3 spotaneously dissolving in DMF over 2 weeks
Artist impression of superconducting graphene sheets (credit SLAC)
The band structure of heavily electron doped grpahite revealed by ARPES, showing the 2D graphitic pi* band and the 3D intercalant-derived IL band
Optical micrograph of Mg doped bilayer graphene
TEM (left) and electron diffraction (right) of single crystal, hexagonal Bi2Te3 nanohsheets deposited from solution
Spotaneous dissolution taken over 2 days (left) of luminescent, hexagonal carbon nitride nanosheets (right)
Raw STM data of the charge density wave on the graphene sheets of CaC6
Charge density waves in CaC6
Stage 1 potassium intercalated graphite (madagascan flake graphite), KC8
Potassium intercalated graphite (graphoil), KC8
Intercalated graphite KC24(NH3)
High surface area large, crystallite size exfoliated graphite
Calcium doped graphene (top left) and graphene hBN laminates
Li dissolved in liquid ammonia
C60 anions in ammonia from neutron diffraction
2D ammonia solvent probability density around dissolved C60 anions from neutron diffraction
1D probability distribution functions of ammonia around C60 anions from neutron diffraction
Structure of benzene from neutron diffraction
Monte carlo simulation of SWNT anions dissolved in liquid ammonia
C60 anions in ammonia from modelled diffraction data
Schematic of the CDW on Ca-doped graphite
Monte Carlo simulation THF molecules around dissolved graphene sheets
Na-Single Walled Carbon Nanotubes dissolving in DMF
K-Bi2Te3dissolving
Intercalated materials we makePhosphorene Nanoribbons
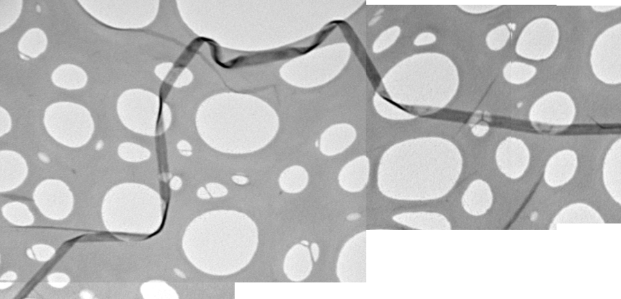
Stitched HS-AFM image of phosopherene nanoribbon (yellow) on a graphite substrate
AFM micrographs of 1-5 layer high phosphorene nanoribbons
AFM of PNRs
TEM of 3 nm wide PNR
TEM of PNR draped on a holey carbon support
AFM of a 7 layer PNR (on a graphite surface) seamlessly spliting into a 2 and 5 layer
TEM of PNRs forming from a larger 2D phosphorene sheet
TEM of twisted PNRExperimental Techniques
I05 ARPES beamline at Diamond Light Source, UK used for electronic structure measurements
ESRF Synchnotron and ILL Neutron Source in Grenoble, France both used to probe the structure, excitations and dynamics
of the materials we create.
Target Station 1 at the ISIS Neutron and Muon Source, UK, we use elastic (wide and small angle), inelastic, quasi-elastic and muon spectroscopy.
High speed AFM at Bristol built by Oliver Payton and Loren Picco
Titan electron microscope at Imperial College London
Physical Properties Measurement System, used to measure AC magnetistaion, resistivity and heat capacity as a function of field and temperature
Magnetic Properties Measurement System, used to measure DC magnetistaion as a function of field and temperature
'Low temperature' UHV Scanning Tunnelling Microscope at the London Centre for Nanotechnology
The incredible resonant inelastic X-ray scattering I21 beamline at Diamond light source.
The NIMROD neutron diffractometer dectector bank at TS2 at ISIS Neutron and Muon Source, capable of measuring over an enormous Q-range for small and wide angle measurements.
We use this machine, in combination with modelling-based refinement of diffraction data to study local and long range order in liquids.
Candle stick and sample changer on the SANDALS instrument, ISIS Neutron and Muon Source
Our Raman spectrometer with mapping stage, three laser lines, low temperature capabilities
We have two gloveboxes for handling air-sensitive materials







